Protezione dell'Ambiente e difesa del suolo

IMPIANTO DI DEPURAZIONE CASTRIGNANO DEL CAPO


Il progetto preliminare redatto dal gruppo di lavoro interno all’Acquedotto Pugliese S.p.A., per la risoluzione degli aspetti gestionali ed impiantistici atti a garantire i parametri allo scarico conformi alla normativa vigente, prevede i seguenti interventi:
- Rifacimento ex-novo della stazione di grigliatura e suo confinamento al fine di contenere e monitorare le emissioni odorigene della grigliatura, previa demolizione dell’attuale stazione;
- Realizzare una stazione di dissabbiatura/disoleatura, inesistente allo stato attuale;
- Potenziamento del comparto di denitrificazione e di ossidazione, insufficienti a fronteggiare il carico in ingresso previsto dal PTA;
- Potenziamento del comparto di sedimentazione secondaria, insufficiente a fronteggiare il carico in ingresso previsto dal PTA, con demolizione dell’esistente stazione di disinfezione e realizzazione di un terzo sedimentatore nell’area di pertinenza della predetta stazione;
- Realizzazione di una nuova stazione di disinfezione in sostituzione dell’esistente;
- Potenziamento della stazione di filtrazione, insufficiente a fronteggiare il carico in ingresso previsto dal PTA;
- Interventi per garantire gli standard minimi di sicurezza degli operatori addetti alla gestione;
- Realizzare un muro di sostegno perimetrale per garantire condizioni di sicurezza;
- Monitoraggio on-line, ovvero alla rilevazione dei principali parametri che caratterizzano il processo di depurazione biologica;
- Adeguamento dell’impianto elettrico, per consentire l’alimentazione delle nuove utenze, ordinarie e privilegiate, in conformità alle normative vigenti;
- Demolizione delle stazioni obsolete e/o inservibili quali il comparto della sedimentazione primaria con annessa stazione di miscelazione e flocculazione.
A seguito di incontri con il Responsabile Unico del Procedimento ed i funzionari dell’Acquedotto Pugliese S.p.A. addetti alla gestione dell’impianto, lo Studio AC3 ha convenuto il potenziamento delle esistenti stazioni di trattamento in maniera tale che la configurazione dell’impianto di depurazione di Castrignano del Capo risulta essere la seguente:
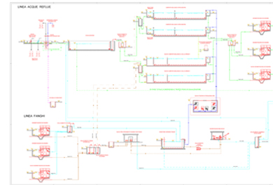
A) LINEA ACQUE:
- pretrattamenti quali grigliatura grossolana, grigliatura fine e dissabbiatura-disoleatura in un unico locale;
- equalizzazione: quella esistente;
- comparto biologico: raddoppio dell’esistente;
- sedimentazione secondaria: n.3 sedimentatori del diametro interno di 13,00 mt con la realizzazione di uno nuovo identico ai due esistenti;
- filtrazione meccanica;
- disinfezione del refluo con cloro acido peracetamolo;
- scarico costituito dalle trincee drenanti e dal canale “San Vincenzo.
B) LINEA FANGHI:
- sollevamento fanghi di supero e ricircolo;
- pre-ispessimento dinamico dei fanghi; - stabilizzazione aerobica dei fanghi;
- disidratazione meccanica dei fanghi. In funzione delle stazioni di trattamento come sopra determinate, si prevede la demolizione delle seguenti stazioni:
- grigliatura;
- sedimentazione primaria con annesse stazioni di miscelazione e flocculazione;
- pre - ispessimento dei fanghi.
Infine si prevede la dismissione dell’attuale filtrazione meccanica dal processo e suo utilizzo quale stazione di emergenza in quanto la stessa sarà sostituita da una nuova stazione di filtrazione meccanica che sarà posizionata a monte della stazione di disinfezione.